Hãy để lại thông tin để được tư vấn miễn phí
Phụ kiện cửa trượt kính IMUNDEX 715.11.101
Trong bối cảnh kiến trúc hiện đại, việc tối ưu hóa không gian sống và làm việc ngày càng trở nên quan trọng. Cửa kính trượt, với khả năng tiết kiệm diện tích và mang lại vẻ đẹp sang trọng, đã trở thành lựa chọn hàng đầu cho nhiều công trình. Để hệ thống cửa kính trượt hoạt động trơn tru, bền bỉ và an toàn, việc lựa chọn phụ kiện chất lượng cao là yếu tố then chốt. Bài viết này sẽ đi sâu vào giới thiệu chi tiết về một sản phẩm nổi bật: Phụ kiện cửa trượt kính 100kg không giảm chấn IMUNDEX 715.11.101, một giải pháp hoàn hảo cho những ai tìm kiếm sự tinh tế và hiệu quả.
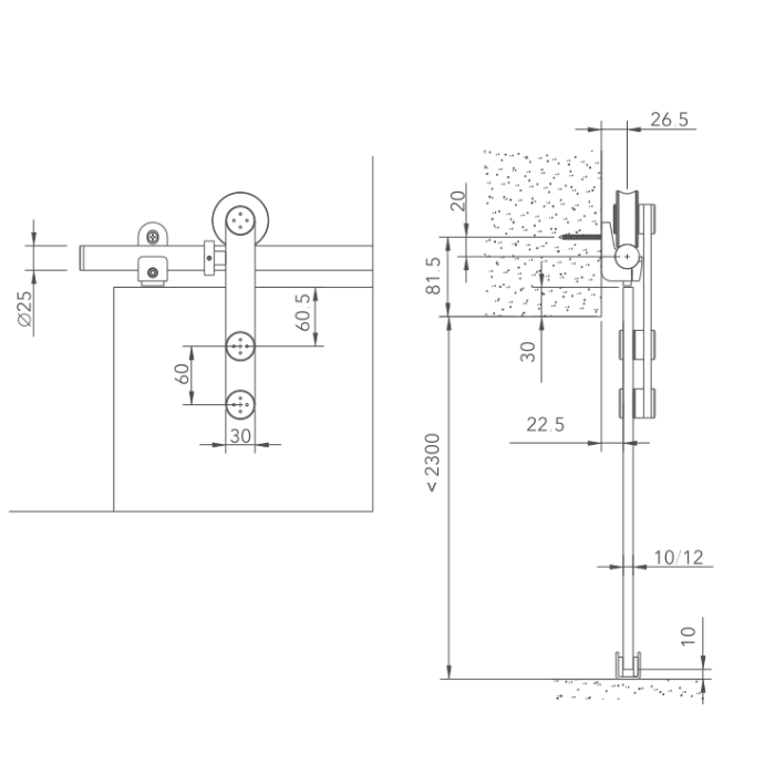
Sản phẩm IMUNDEX 715.11.101 là một bộ phụ kiện cao cấp được thiết kế đặc biệt cho hệ thống cửa kính trượt, mang đến giải pháp vận hành mượt mà, ổn định và bền bỉ. Với tải trọng tối đa lên đến 100kg, bộ phụ kiện này hoàn toàn phù hợp với các loại cửa kính có độ dày từ 10mm đến 12mm. Chất liệu Inox 304 cao cấp không chỉ đảm bảo độ bền vượt trội, chống ăn mòn hiệu quả mà còn mang lại vẻ ngoài sang trọng, hiện đại cho không gian nội thất. Thiết kế không giảm chấn của IMUNDEX 715.11.101 phù hợp với những ứng dụng yêu cầu chuyển động đóng mở nhanh chóng và dứt khoát, đồng thời tối ưu hóa chi phí lắp đặt và bảo trì.

Bộ phụ kiện IMUNDEX 715.11.101 sở hữu nhiều ưu điểm vượt trội, đáp ứng các tiêu chuẩn khắt khe của thị trường nội thất hiện đại:
Yếu tố quan trọng hàng đầu tạo nên giá trị của bộ phụ kiện này chính là chất liệu Inox 304. Đây là loại thép không gỉ thuộc nhóm Austenitic, nổi tiếng với khả năng chống ăn mòn tuyệt vời, ngay cả trong môi trường có độ ẩm cao hoặc tiếp xúc với hóa chất. Bề mặt Inox 304 sáng bóng, không bị oxy hóa hay gỉ sét theo thời gian, đảm bảo tính thẩm mỹ lâu dài cho hệ thống cửa. Hơn nữa, Inox 304 còn sở hữu độ cứng và độ bền cơ học cao, chịu được tải trọng lớn và các tác động ngoại lực, giúp bộ phụ kiện hoạt động ổn định trong suốt vòng đời sản phẩm.
Với khả năng chịu tải lên đến 100kg, IMUNDEX 715.11.101 là lựa chọn lý tưởng cho các loại cửa kính có kích thước lớn hoặc làm từ kính cường lực dày. Điều này mang lại sự linh hoạt trong thiết kế, cho phép kiến trúc sư và gia chủ thoải mái sáng tạo với những cánh cửa kính đồ sộ, tạo cảm giác không gian mở và sang trọng. Khả năng chịu tải cao cũng đồng nghĩa với độ bền và sự ổn định, giảm thiểu rủi ro hư hỏng, cong vênh trong quá trình sử dụng.
Độ dày kính 10mm đến 12mm là tiêu chuẩn phổ biến cho các loại cửa kính cường lực sử dụng trong nhà ở, văn phòng, trung tâm thương mại. Bộ phụ kiện IMUNDEX 715.11.101 được thiết kế tối ưu để tương thích hoàn hảo với độ dày này, đảm bảo sự ăn khớp chắc chắn giữa các bộ phận, hạn chế rung lắc và tạo sự an toàn tuyệt đối khi vận hành.
Việc lựa chọn giữa hệ thống có giảm chấn và không giảm chấn phụ thuộc vào nhu cầu sử dụng cụ thể. Bộ phụ kiện IMUNDEX 715.11.101 với thiết kế không giảm chấn mang lại ưu điểm về tốc độ đóng mở nhanh, phản hồi tức thời và chi phí đầu tư ban đầu thấp hơn. Loại này thường được ưa chuộng trong các không gian yêu cầu sự tiện lợi, hiệu quả đóng mở tức thời mà không cần đến chuyển động êm ái, chậm rãi như các hệ thống có giảm chấn.

Một bộ phụ kiện IMUNDEX 715.11.101 đầy đủ bao gồm các thành phần thiết yếu, đảm bảo một hệ thống cửa kính trượt hoạt động hoàn chỉnh:

Với những đặc tính ưu việt, bộ phụ kiện IMUNDEX 715.11.101 rất phù hợp với nhiều không gian và mục đích sử dụng khác nhau:
Trong không gian sinh hoạt chung, cửa kính trượt giúp phân chia không gian một cách linh hoạt mà vẫn giữ được sự kết nối thị giác. Cánh cửa kính lớn, được vận hành bởi bộ phụ kiện IMUNDEX 715.11.101, sẽ tạo cảm giác rộng rãi, thoáng đãng, đồng thời mang đến vẻ đẹp hiện đại và sang trọng.
Tạo sự riêng tư khi cần thiết, hoặc mở rộng không gian khi không sử dụng. Cửa kính trượt với phụ kiện IMUNDEX 715.11.101 đảm bảo hoạt động êm ái, bền bỉ, mang lại sự tiện nghi và thẩm mỹ cho không gian nghỉ ngơi.
Trong môi trường công sở, cửa kính trượt giúp tối ưu hóa diện tích, tạo không gian làm việc mở hoặc phân chia phòng họp một cách hiệu quả. Sự vận hành ổn định và tính thẩm mỹ cao của bộ phụ kiện IMUNDEX 715.11.101 góp phần nâng cao hình ảnh chuyên nghiệp của doanh nghiệp.
Các khu vực như ban công, lối đi ra vườn hoặc các không gian cần sự kết nối giữa trong nhà và ngoài trời là nơi lý tưởng để lắp đặt cửa kính trượt. Bộ phụ kiện IMUNDEX 715.11.101 đảm bảo khả năng chịu lực, vận hành trơn tru ngay cả trong điều kiện thời tiết thay đổi.
Nhà hàng, quán cà phê, showroom, cửa hàng... đều có thể tận dụng ưu điểm của cửa kính trượt với bộ phụ kiện IMUNDEX 715.11.101 để tạo ra không gian ấn tượng, thu hút khách hàng và tối ưu hóa công năng sử dụng.

Việc lựa chọn phụ kiện cửa là một quyết định quan trọng ảnh hưởng đến tuổi thọ, thẩm mỹ và tính an toàn của toàn bộ hệ thống cửa. IMUNDEX 715.11.101 nổi bật lên như một giải pháp tối ưu nhờ vào:
Với chất liệu Inox 304 chống ăn mòn và cấu trúc chắc chắn, bộ phụ kiện này đảm bảo hoạt động bền bỉ, ít hỏng hóc, giảm thiểu chi phí sửa chữa và thay thế trong dài hạn.
Các chi tiết được chế tạo với độ chính xác cao, kết hợp với thiết kế tối ưu, mang lại trải nghiệm đóng mở cửa mượt mà, không tiếng động lớn, tạo cảm giác thoải mái và sang trọng.
Khả năng chịu tải 100kg, kết hợp với các bộ phận chặn cửa và dẫn hướng, giúp cánh cửa vận hành an toàn, giảm thiểu rủi ro va đập hoặc trượt khỏi ray.
Bề mặt Inox 304 sáng bóng, hiện đại, phù hợp với nhiều phong cách thiết kế nội thất, từ tối giản đến sang trọng, góp phần nâng tầm không gian sống.
Mặc dù sở hữu nhiều ưu điểm vượt trội, bộ phụ kiện IMUNDEX 715.11.101 vẫn mang lại mức giá cạnh tranh, đảm bảo hiệu quả đầu tư lâu dài.
Trong lĩnh vực thiết bị phụ kiện nội thất, việc lựa chọn đúng sản phẩm không chỉ đáp ứng nhu cầu công năng mà còn thể hiện gu thẩm mỹ tinh tế của gia chủ. Các sản phẩm như PHỤ KIỆN CỬA, ván nội thất, tấm ốp trang trí, hệ thống khóa cửa, ván sàn... đều đóng vai trò quan trọng trong việc hoàn thiện không gian sống. Đặc biệt, các giải pháp cho cửa kính trượt như bộ phụ kiện IMUNDEX 715.11.101 đang ngày càng khẳng định vị thế nhờ tính ứng dụng cao và vẻ đẹp hiện đại mà chúng mang lại.
Chất liệu Inox 304, với đặc tính vượt trội về độ bền, khả năng chống ăn mòn và vẻ ngoài sang trọng, là lựa chọn hàng đầu cho các sản phẩm nội thất cao cấp. Từ thiết bị bếp, phụ kiện bếp đến các chi tiết nhỏ nhất trong hệ thống cửa, việc sử dụng Inox 304 đều đảm bảo tính thẩm mỹ và độ bền lâu dài.
Ngoài ra, các dịch vụ đi kèm như tư vấn thi công lắp đặt nội thất, chăm sóc bảo hành chuyên nghiệp cũng là yếu tố quan trọng khi lựa chọn nhà cung cấp uy tín. Một đơn vị phân phối thương mại phụ kiện nội thất chuyên nghiệp sẽ mang đến cho khách hàng những giải pháp toàn diện, từ lựa chọn sản phẩm phù hợp đến hỗ trợ lắp đặt và bảo trì sau bán hàng.
Để được tư vấn chi tiết hơn về sản phẩm Phụ kiện cửa trượt kính 100kg không giảm chấn IMUNDEX 715.11.101 hoặc các giải pháp nội thất khác, Quý khách hàng vui lòng liên hệ:
Công Ty TNHH XNK TM Hoàng Gia Phát
Địa chỉ: 139A Đường 3/2, Phường Bà Rịa, Thành phố Hồ Chí Minh
Hotline: 0926.227.279
Điện thoại: 0926.227.279
Email: hoanggiaphathome@gmail.com
Website: hoanggiaphathome.vn
1.452.000đ
1.089.000đ
378.000đ
283.500đ
2.000.000đ
1.500.000đ
451.000đ
338.250đ
6.600.000đ
4.950.000đ
11.880đ
8.910đ
1.108.000đ
831.000đ
451.000đ
338.250đ