Khóa điện tử Hafele DL7600 912.20.231
Trong bối cảnh an ninh và tiện nghi ngày càng được đề cao, việc lựa chọn các giải pháp khóa cửa thông minh, hiện đại là xu hướng tất yếu cho mọi gia đình và doanh nghiệp. Nổi bật trên thị trường là dòng sản phẩm khóa điện tử Hafele DL7600 912.20.231, mang đến sự kết hợp hoàn hảo giữa công nghệ tiên tiến, thiết kế tinh tế và tính năng bảo mật vượt trội. Bài viết này sẽ đi sâu vào phân tích chi tiết các khía cạnh của Hafele DL7600, giúp bạn hiểu rõ hơn về những gì sản phẩm này có thể mang lại cho không gian sống của mình.
Tổng quan về Khóa điện tử Hafele DL7600 912.20.231
Hafele DL7600 912.20.231 không chỉ là một thiết bị khóa cửa thông thường, mà còn là một "trái tim" công nghệ, mang đến sự an tâm tuyệt đối cho người sử dụng. Với thiết kế sang trọng, vật liệu cao cấp và hàng loạt tính năng thông minh, sản phẩm này đang dần khẳng định vị thế dẫn đầu trong phân khúc khóa điện tử cao cấp.
Thiết kế và Vật liệu
Khóa điện tử Hafele DL7600 sở hữu một ngoại hình ấn tượng, với các đường nét mạnh mẽ, hiện đại, phù hợp với nhiều phong cách kiến trúc khác nhau. Kích thước mặt ngoài 76 x 341 x 25 mm (bao gồm tay nắm) và mặt trong 80 x 359 x 27 mm (bao gồm tay nắm) được tính toán kỹ lưỡng để đảm bảo sự cân đối và hài hòa khi lắp đặt trên các loại cửa gỗ. Chất liệu cấu thành sản phẩm là sự kết hợp của Nhôm, Kẽm và Nhựa ABS cao cấp, mang lại độ bền bỉ, chống chịu tốt trước các tác động của môi trường và thời gian. Lớp hoàn thiện màu Đồng bóng càng tôn lên vẻ sang trọng và đẳng cấp của sản phẩm.
Các Phương thức Mở khóa Đa dạng
Điểm cộng lớn nhất của Hafele DL7600 chính là sự linh hoạt trong các phương thức mở khóa, đáp ứng mọi nhu cầu và sở thích của người dùng:
- Vân tay: Khả năng lưu trữ lên đến 100 vân tay, giúp mọi thành viên trong gia đình đều có thể sử dụng một cách thuận tiện và nhanh chóng. Công nghệ nhận diện vân tay tiên tiến đảm bảo độ chính xác và tốc độ cao.
- Thẻ từ: Bên cạnh vân tay, khóa còn hỗ trợ lưu trữ tới 100 thẻ từ, cung cấp thêm một phương thức mở khóa tiện lợi, đặc biệt phù hợp cho việc cấp quyền truy cập tạm thời hoặc cho những người không tiện sử dụng vân tay.
- Mật khẩu: Sản phẩm cho phép cài đặt 1 mật khẩu chủ và 10 mật khẩu người dùng. Tính năng chống sao chép mật khẩu bằng mật mã ảo (mật khẩu giả lập) tăng cường đáng kể khả năng bảo mật, ngăn chặn nguy cơ lộ thông tin.
- Chìa khóa cơ: Để đảm bảo khả năng truy cập trong mọi tình huống khẩn cấp, Hafele DL7600 vẫn được trang bị 2 chìa khóa cơ dự phòng, mang lại sự an tâm tuyệt đối.
- Ứng dụng di động (APP Häfele Smart Lock): Mở khóa dễ dàng qua sóng Bluetooth ngay trên điện thoại thông minh. Ứng dụng này còn cung cấp các tính năng quản lý, cài đặt và kiểm tra lịch sử ra vào một cách trực quan và tiện lợi.

Tính năng An ninh và Tiện ích Vượt trội
Hafele DL7600 không chỉ dừng lại ở việc mở khóa mà còn tích hợp nhiều tính năng thông minh nhằm nâng cao trải nghiệm người dùng và đảm bảo an ninh tối ưu.
Tăng cường An ninh
Để đáp ứng nhu cầu an ninh ngày càng cao, Hafele DL7600 được trang bị những tính năng tiên tiến:
- Chế độ vắng nhà: Khi kích hoạt chế độ này, mọi nỗ lực mở khóa từ bên ngoài (trừ chìa khóa cơ) sẽ bị vô hiệu hóa, tạo ra lớp bảo vệ kép cho ngôi nhà khi bạn đi vắng dài ngày.
- Chức năng xác thực kép: Người dùng có thể thiết lập yêu cầu xác thực bằng cách kết hợp 2 trong 3 phương thức (vân tay / mã số / thẻ từ) để mở khóa. Điều này mang lại mức độ bảo mật cao nhất, đặc biệt quan trọng trong các khu vực cần kiểm soát an ninh chặt chẽ.
- Chế độ riêng tư: Được kích hoạt từ mặt trong của khóa, chế độ này ngăn chặn mọi truy cập từ bên ngoài, đảm bảo sự riêng tư tuyệt đối cho không gian bên trong.
- Cảnh báo Pin yếu: Hệ thống sẽ phát ra âm thanh cảnh báo khi pin sắp hết, giúp người dùng kịp thời thay thế pin để đảm bảo khóa hoạt động liên tục.
Quản lý Thông minh và Tiện lợi
Việc quản lý và sử dụng Hafele DL7600 trở nên dễ dàng hơn bao giờ hết:
- Quản lý bằng mật khẩu chủ và người dùng: Cho phép phân quyền quản lý, dễ dàng thêm bớt hoặc thay đổi quyền truy cập của từng người.
- Hướng dẫn cài đặt bằng giọng nói: Với hai ngôn ngữ Tiếng Anh và Trung Quốc, việc cài đặt và cấu hình khóa trở nên trực quan và đơn giản hơn.
- Tích hợp với hệ thống nhà thông minh (Z-wave): Khả năng kết nối với các hệ thống nhà thông minh qua sóng Z-wave (với gateway tùy chọn) mở ra tiềm năng điều khiển và tự động hóa ngôi nhà ở mức độ cao hơn.

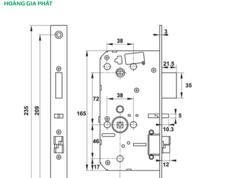
Thông số Kỹ thuật Chi tiết
Để có cái nhìn toàn diện nhất về sản phẩm, dưới đây là các thông số kỹ thuật chi tiết của Khóa điện tử Hafele DL7600 912.20.231:
- Kích thước mặt ngoài: 76 x 341 x 25 mm (Rộng x Cao x Sâu) bao gồm tay nắm
- Kích thước mặt trong: 80 x 359 x 27 mm (Rộng x Cao x Sâu) bao gồm tay nắm
- Khả năng lưu trữ Vân tay: 100 vân tay
- Khả năng lưu trữ Thẻ từ: 100 thẻ
- Mật khẩu: 1 mật khẩu chủ & 10 mật khẩu người dùng
- Vật liệu: Nhôm, Kẽm, Nhựa ABS
- Hoàn thiện: Đồng bóng
- Nguồn điện: 6V (8 viên pin alkaline, loại 1,5V, cỡ AA)
- Nguồn khẩn cấp: Pin 5V qua cổng Micro USB
- Nhiệt độ vận hành: từ -25°C đến +55°C

Khả năng Tương thích và Lắp đặt
Để đảm bảo khóa điện tử Hafele DL7600 hoạt động hiệu quả và thẩm mỹ, việc tuân thủ các yêu cầu về thiết kế cửa là rất quan trọng.
Yêu cầu về Cửa
- Loại cửa phù hợp: Chủ yếu là cửa gỗ.
- Khoảng cách cửa - khung cửa: Tối thiểu phải đạt 3 mm để đảm bảo việc đóng mở diễn ra trơn tru.
- Độ dày cửa: Khóa tương thích với các loại cửa có độ dày từ 35 mm đến 60 mm.
- Đố cửa: Yêu cầu đố cửa tối thiểu là 120 mm để có đủ không gian lắp đặt các bộ phận của khóa.
Trọn bộ Sản phẩm
Khi mua Khóa điện tử Hafele DL7600 912.20.231, bạn sẽ nhận được đầy đủ các phụ kiện cần thiết cho việc lắp đặt và sử dụng ban đầu:
- Bộ ốc vít
- 1 Thân khóa nhỏ
- 1 Hướng dẫn sử dụng
- 1 Hướng dẫn lắp đặt
- 2 thẻ từ lớn (kích thước 85 x 54 mm)
- 2 thẻ từ nhỏ (kích thước 45 x 18 mm)
- 2 chìa khóa cơ
Phụ kiện Tùy chọn
Ngoài những gì có sẵn trong bộ sản phẩm, người dùng có thể cân nhắc mua thêm các phụ kiện sau để nâng cao trải nghiệm:
- Thẻ từ lớn (mã số: 917.80.739)
- Thẻ từ nhỏ (mã số: 912.05.369)
- Z-wave gateway kết nối nhà thông minh (mã số: 912.05.698) - Dành cho Phiên bản tiêu chuẩn.

Vì sao nên chọn Khóa điện tử Hafele DL7600?
Việc lựa chọn một hệ thống khóa cửa phù hợp không chỉ ảnh hưởng đến an ninh mà còn góp phần nâng tầm không gian sống. Khóa điện tử Hafele DL7600 912.20.231 nổi bật nhờ những ưu điểm sau:
- Thương hiệu uy tín: Hafele là một thương hiệu nổi tiếng toàn cầu với bề dày kinh nghiệm trong lĩnh vực phụ kiện nội thất, đảm bảo chất lượng sản phẩm và dịch vụ hậu mãi.
- Công nghệ tiên tiến: Tích hợp nhiều phương thức mở khóa hiện đại, khả năng quản lý thông minh qua ứng dụng di động và tương thích với nhà thông minh.
- Bảo mật cao: Các tính năng như chế độ vắng nhà, xác thực kép, mật mã ảo mang lại sự an tâm tuyệt đối.
- Thiết kế sang trọng: Vật liệu cao cấp, hoàn thiện tinh tế tạo điểm nhấn thẩm mỹ cho cánh cửa và tổng thể ngôi nhà.
- Độ bền bỉ: Chất liệu chắc chắn, khả năng hoạt động ổn định trong nhiều điều kiện môi trường khác nhau.

Thông tin Liên hệ và Dịch vụ
Công Ty TNHH XNK TM Hoàng Gia Phát tự hào là nhà phân phối chính thức các sản phẩm phụ kiện nội thất cao cấp, bao gồm các dòng khóa điện tử Hafele. Chúng tôi cam kết mang đến cho khách hàng những sản phẩm chất lượng nhất cùng dịch vụ tư vấn, thi công và chăm sóc bảo hành chuyên nghiệp.

Công Ty TNHH XNK TM Hoàng Gia Phát
Địa chỉ: 139A Đường 3/2, Phường Bà Rịa, Thành phố Hồ Chí Minh
Hotline: 0926.227.279
Điện thoại: 0926.227.279
Email: hoanggiaphathome@gmail.com
Website: hoanggiaphathome.vn